Berliner Boersenzeitung - Des neurones doués de sensations ont appris à jouer à un jeu vidéo (étude)

EUR -
AED 4.250678
AFN 72.918041
ALL 96.067465
AMD 436.932685
ANG 2.071904
AOA 1061.367148
ARS 1614.573682
AUD 1.634575
AWG 2.086276
AZN 1.972142
BAM 1.972698
BBD 2.332168
BDT 142.080747
BGN 1.978413
BHD 0.436949
BIF 3437.580732
BMD 1.157435
BND 1.485596
BOB 8.001925
BRL 6.042616
BSD 1.157939
BTN 107.880297
BWP 15.801103
BYN 3.580572
BYR 22685.717965
BZD 2.32886
CAD 1.590258
CDF 2633.163673
CHF 0.913169
CLF 0.026762
CLP 1056.726175
CNY 7.98682
CNH 7.967438
COP 4274.220751
CRC 541.77124
CUC 1.157435
CUP 30.672017
CVE 112.32935
CZK 24.46157
DJF 205.69948
DKK 7.470818
DOP 68.086114
DZD 153.068157
EGP 60.468898
ERN 17.361519
ETB 181.942975
FJD 2.556252
FKP 0.868855
GBP 0.862243
GEL 3.142482
GGP 0.868855
GHS 12.612219
GIP 0.868855
GMD 85.650189
GNF 10159.345308
GTQ 8.857761
GYD 242.257739
HKD 9.066706
HNL 30.752706
HRK 7.534086
HTG 151.887632
HUF 390.323942
IDR 19551.674454
ILS 3.619692
IMP 0.868855
INR 107.73737
IQD 1516.239313
IRR 1522171.1655
ISK 143.799756
JEP 0.868855
JMD 181.912765
JOD 0.820653
JPY 182.822601
KES 150.005481
KGS 101.215228
KHR 4641.312752
KMF 495.381662
KPW 1041.677217
KRW 1723.362105
KWD 0.354453
KYD 0.965012
KZT 556.866583
LAK 24855.907577
LBP 103648.268002
LKR 360.942102
LRD 212.274287
LSL 19.479641
LTL 3.417604
LVL 0.70012
LYD 7.384117
MAD 10.832141
MDL 20.292792
MGA 4820.714971
MKD 61.634594
MMK 2430.311069
MNT 4150.377902
MOP 9.342916
MRU 46.424425
MUR 53.832532
MVR 17.88262
MWK 2010.463866
MXN 20.538231
MYR 4.559163
MZN 73.961088
NAD 19.479093
NGN 1570.409946
NIO 42.500812
NOK 10.997709
NPR 172.603009
NZD 1.971059
OMR 0.445035
PAB 1.157979
PEN 3.99836
PGK 4.979257
PHP 69.211938
PKR 323.097975
PLN 4.267571
PYG 7524.225019
QAR 4.218386
RON 5.093054
RSD 117.434432
RUB 99.715141
RWF 1688.697067
SAR 4.345484
SBD 9.315708
SCR 16.728436
SDG 695.617571
SEK 10.760999
SGD 1.479253
SHP 0.868376
SLE 28.53087
SLL 24270.837165
SOS 661.476645
SRD 43.40615
STD 23956.559163
STN 24.884844
SVC 10.132098
SYP 127.929815
SZL 19.479951
THB 37.605283
TJS 11.087547
TMT 4.051021
TND 3.369582
TOP 2.786824
TRY 51.283377
TTD 7.848604
TWD 36.825979
TZS 3006.437007
UAH 50.920909
UGX 4376.679727
USD 1.157435
UYU 46.903191
UZS 14114.91435
VES 526.268876
VND 30428.955372
VUV 138.207434
WST 3.162366
XAF 661.659074
XAG 0.015864
XAU 0.000249
XCD 3.128025
XCG 2.086894
XDR 0.822888
XOF 661.473924
XPF 119.331742
YER 276.106212
ZAR 19.366681
ZMK 10418.297556
ZMW 22.667344
ZWL 372.693466
  • AEX

    -22.4000

    977.63

    -2.24%

  • BEL20

    -124.1200

    5004.77

    -2.42%

  • PX1

    -160.9700

    7807.87

    -2.02%

  • ISEQ

    -285.7400

    12084.12

    -2.31%

  • OSEBX

    12.3100

    1998.47

    +0.62%

  • PSI20

    -188.1800

    8946.83

    -2.06%

  • ENTEC

    -5.8300

    1416.23

    -0.41%

  • BIOTK

    -36.6200

    3662.63

    -0.99%

  • N150

    -84.9900

    3813.8

    -2.18%

Des neurones doués de sensations ont appris à jouer à un jeu vidéo (étude)
Des neurones doués de sensations ont appris à jouer à un jeu vidéo (étude) / Photo: Handout - AFP

Des neurones doués de sensations ont appris à jouer à un jeu vidéo (étude)

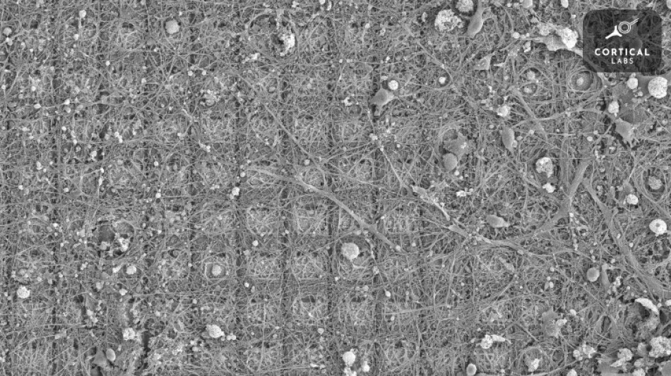
Des neurones cultivés dans une boîte de Petri sont capables d'apprendre à jouer à Pong, le grand classique des jeux vidéo, faisant ainsi preuve d'un "comportement intelligent et doué de sensations", selon des chercheurs en neurosciences australiens.

Taille du texte:

Cette étude, publiée mercredi dans la revue scientifique Neuron, ouvre la voie à un nouveau type de recherches qui pourraient un jour se servir de neurones pour traiter des informations, sorte de machines biologiques qui épauleraient les ordinateurs numériques, selon le chercheur ayant mené les recherches, Brett Kagan.

"Les machines sont incapables d'apprendre très rapidement des choses. Pour qu'un algorithme de +machine learning+ (l'apprentissage automatique, une technique d'intelligence artificielle, NDLR) apprenne quelque chose, il a besoin de milliers d'échantillons de données", a-t-il expliqué.

Tandis qu'"un chien peut apprendre un tour en deux ou trois essais", note-t-il.

Les neurones sont au fondement de l'intelligence chez tous les animaux, des insectes aux humains.

Pour leur expérience, visant à découvrir s'il était possible d'exploiter l'intelligence inhérente des neurones, Brett Kagan et ses collègues ont prélevé des neurones de cerveaux embryonnaires de souris ainsi que des neurones issus de cellules souches d'humains adultes.

Ils ont ensuite cultivé ces neurones autour de matrices de microélectrodes capables de détecter leur activité et de les stimuler. Les expériences ont concerné des amas d'environ 800.000 neurones, la taille du cerveau d'un bourdon.

Dans une sorte de version simplifiée du jeu de tennis Pong, un signal était ensuite envoyé depuis la droite ou la gauche pour indiquer l'emplacement d'une balle et l'amas de neurones, baptisé par les chercheurs "DishBrain" (ou cerveau en boîte en français), répondait par un autre signal pour déplacer la raquette.

- "Principe de l'énergie libre" -

Un des principaux obstacles était de trouver comment amener les neurones à apprendre une tâche.

De précédents travaux avaient suggéré de les gratifier d'une dose d'"hormone du bonheur", la dopamine, à chaque action correcte -- mais cela s'est révélé difficile à accomplir avec la vitesse nécessaire.

A la place, l'équipe du Dr Kagan s'est appuyée sur la théorie dite du "principe de l'énergie libre" introduite il y a plus de dix ans par Karl Friston, l'auteur principal de l'étude publiée mercredi, et selon laquelle les cellules cherchent instinctivement à minimiser l'imprévisibilité de leur environnement.

Quand les neurones parvenaient à frapper la balle à l'aide de la raquette, ils recevaient donc une information prévisible indiquant leur réussite. Mais quand ils rataient leur coup, le signal reçu était aléatoire, imprévisible.

"La seule façon pour les neurones de faire en sorte que leur monde reste contrôlable et prévisible était de mieux réussir à toucher la balle", a détaillé Brett Kagan.

Son équipe considère que DishBrain est "sensible" -- ce qu'ils définissent comme étant capable de percevoir des informations sensorielles et d'y répondre de façon dynamique --, mais ne vont pas jusqu'à parler de "conscience", ce qui implique d'avoir conscience de sa propre existence.

Ce "cerveau en boîte" s'est même essayé au jeu qui remplace le moteur de recherche de Google en cas d'absence de connexion internet, qui consiste à faire courir un dinosaure parmi des obstacles, et les premiers résultats ont été encourageants, a indiqué Brett Kagan.

Les scientifiques veulent ensuite tester la manière dont des médicaments et l'alcool affectent l'intelligence de ces neurones, mais le Dr Kagan est surtout enthousiaste à l'idée de la possibilité de développer des ordinateurs biologiques.

"C'est (une expérience de) neurosciences rigoureuse et intéressante", estime Tara Spires-Jones, de l'université d'Edimbourg, qui n'a pas participé à l'étude.

"Pas d'inquiétude, même si ces boîtes de neurones peuvent modifier leurs réponses lorsqu'elles sont stimulées, ce ne sont pas des boîtes douées d'intelligence de type science fiction, ce sont de simples (bien qu'intéressants et importants d'un point de vue scientifique) réponses de circuit", rassure-t-elle.

(L.Kaufmann--BBZ)